This is a
A This device is a Z-Wave Actuator. To include or exclude the device you only need to press and hold any key for 8 seconds.
Z-Wave is the international wireless protocol for communication in the Smart Home. This device is suited for use in the region mentioned in the Quickstart section.
Z-Wave ensures a reliable communication by reconfirming every message (two-way communication) and every mains powered node can act as a repeater for other nodes (meshed network) in case the receiver is not in direct wireless range of the transmitter.
This device and every other certified Z-Wave device can be used together with any other certified Z-Wave device regardless of brand and origin as long as both are suited for the same frequency range.
If a device supports secure communication it will communicate with other devices secure as long as this device provides the same or a higher level of security. Otherwise it will automatically turn into a lower level of security to maintain backward compatibility.
For more information about Z-Wave technology, devices, white papers etc. please refer to www.z-wave.info.
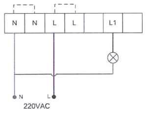
The MCO_TPS411 is a glass-surface wireless actuator able to to switch a load up to 1100 W. It is designed for application in UK Pattress boxes (according to British Standard). Beside local switching the device can be used to control two groups of directly associated devices or scenes stored in the central controller. A blue LED on every button indicates the switching status. The installation of the device requires a 3 wire system with neutral wire.
Please read the user manual before installing the product.
In order to include (add) a Z-Wave device to a network it must be in factory default state. Please make sure to reset the device into factory default. You can do this by performing an Exclusion operation as described below in the manual. Every Z-Wave controller is able to perform this operation however it is recommended to use the primary controller of the previous network to make sure the very device is excluded properly from this network.
ATTENTION: only authorized technicians under consideration of the country-specific installation guidelines/norms may do works with mains power. Prior to the assembly of the product, the voltage network has to be switched off and ensured against re-switching.
Important: Please make sure you have cut off power supply before you start to install the device.


On factory default the device does not belong to any Z-Wave network. The device needs to be added to an existing wireless network to communicate with the devices of this network. This process is called Inclusion.
Devices can also be removed from a network. This process is called Exclusion. Both processes are initiated by the primary controller of the Z-Wave network. This controller is turned into exclusion respective inclusion mode. Inclusion and Exclusion is then performed doing a special manual action right on the device.
To include the device you only need to press and hold any key for 8 seconds.
To exclude the device you only need to press and hold any key for 8 seconds.
The actuator is operated by the local switching Touch pannels or wirelessly using Z-Wave commands.
Here are a few hints for network installation if things dont work as expected.
Z-Wave devices control other Z-Wave devices. The relationship between one device controlling another device is called association. In order to control a different device, the controlling device needs to maintain a list of devices that will receive controlling commands. These lists are called association groups and they are always related to certain events (e.g. button pressed, sensor triggers, ...). In case the event happens all devices stored in the respective association group will receive the same wireless command wireless command, typically a 'Basic Set' Command.
| Group Number | Maximum Nodes | Description |
|---|---|---|
| 1 | 5 | Switch Button Group 1 |
| 3 | 1 | all Status Reports |
| Dimensions | 0.0860000x0.0860000x0.0390000 mm |
| Weight | 180 gr |
| EAN | 6928954200908 |
| Device Type | On/Off Power Switch |
| Generic Device Class | Binary Switch |
| Specific Device Class | Binary Power Switch |
| Firmware Version | 01.00 |
| Z-Wave Version | 03.43 |
| Z-Wave Product Id | 015f.3102.0202 |
| Frequency | Europe - 868,4 Mhz |
| Maximum transmission power | 5 mW |