This is a
You can find further information in the device manual.Step 1: Separate the device into two parts: the display panel and the bottom.
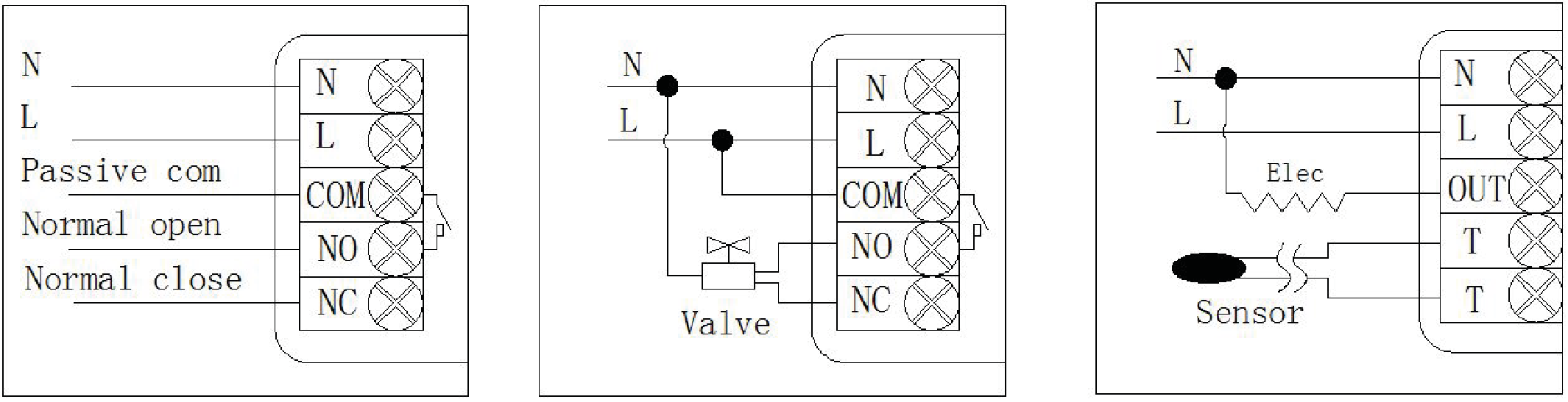
Step 2: Insert all wires into the right terminals and tighten screws. Wiring diagrams are shown below.
Step 3: Push the bottom into the junction box and secure it with two screws, and then mount the touch panel back.
Step 4: Confirm the device is well mounted, power on and it is ready to operate.
Z-Wave is the international wireless protocol for communication in the Smart Home. This device is suited for use in the region mentioned in the Quickstart section.
Z-Wave ensures a reliable communication by reconfirming every message (two-way communication) and every mains powered node can act as a repeater for other nodes (meshed network) in case the receiver is not in direct wireless range of the transmitter.
This device and every other certified Z-Wave device can be used together with any other certified Z-Wave device regardless of brand and origin as long as both are suited for the same frequency range.
If a device supports secure communication it will communicate with other devices secure as long as this device provides the same or a higher level of security. Otherwise it will automatically turn into a lower level of security to maintain backward compatibility.
For more information about Z-Wave technology, devices, white papers etc. please refer to www.z-wave.info.
MCOHome Electrical Heating Thermostat is a Z-Wave enabled device for indoor temperature control. MH7-WH-EU is mainly applied to control wall mounted boiler, water valve/pump etc. , while MH7-EH-EU for electrical heating system. The device is of high reliability and practicability. And can be included and operated in any Z-Wave network with other Z-Wave certified devices from any other manufacturers.
Please read the user manual before installing the product.
In order to include (add) a Z-Wave device to a network it must be in factory default state. Please make sure to reset the device into factory default. You can do this by performing an Exclusion operation as described below in the manual. Every Z-Wave controller is able to perform this operation however it is recommended to use the primary controller of the previous network to make sure the very device is excluded properly from this network.
ATTENTION: only authorized technicians under consideration of the country-specific installation guidelines/norms may do works with mains power. Prior to the assembly of the product, the voltage network has to be switched off and ensured against re-switching.
Location:
Thermostat is suggested to be installed indoor, a place with around 1.5m height above the floor where represents the average room temperature. It should be away from direct sunlight, any cover, or any heat source, to avoid false signal for temperature control.
CAUTION: Cut off power supply at circuit breaker or fuse before installation to avoid fire, shock or death!


On/Off Setting
When power on, thermostat displays (OFF), all outputs are forced off. Touch S3 button to enter normal display. Device displays current week, local time, working mode, the current temperature, output status etc.
On factory default the device does not belong to any Z-Wave network. The device needs to be added to an existing wireless network to communicate with the devices of this network. This process is called Inclusion.
Devices can also be removed from a network. This process is called Exclusion. Both processes are initiated by the primary controller of the Z-Wave network. This controller is turned into exclusion respective inclusion mode. Inclusion and Exclusion is then performed doing a special manual action right on the device.
Including and Excluding of Z-Wave network
Under the shutdown state, press and hold S2 to enter interface for inclusion or exclusion of Z-Wave network. Before device included into network, ?- - -? will display on the screen. Then press S4 once, device will enter learning mode to get a node ID. If inclusion is success, a node ID will display on the screen in a few seconds. A node ID can always inform us whether the device is in the network or not. Note: Follow the same steps to exclude the device from the network. After inclusion, turn off the device and then turn it on. Now the device is ready to be operated by controller/ gateway in Z-Wave network.


Local Time Setting
In normal working interface, long press S1 to enter the local time setting interface. In local time setting interface, press S3 key can switch among ?week, hour and minute?, and press S4 or S5 can set the value of the items. After finish local time setting, touch S1 or wait 8 seconds without any key operation will save the setting and return to normal display.
°C / °F setting
In normal operating interface, long press S2 button can switch between °C and °F.
Temperature setting
In normal operating interface, touch S4 or S5 can enter temperature setting. The setting range is 5-37C (41-98°F). Then press S4 or S5 can change value. Press S3 or wait 8 seconds without any key operation will save the setting and return to normal operation interface. Auto Mode: The changed value only valid in the current time period for this time, and device will follow default setting in following time periods. Manual Mode: The changed value will be valid until next manually setting. Vacation mode: The changed value will be valid until next setting.
Manual / Auto mode setting
Touch S3 can switch between Manual and Auto mode. Choose one and wait for 3 Sec can confirm the chose. Auto Mode: Device follows the default time periods and temperature to control heating system automatically. Manual Mode: Device follows the manually setting to control heating system.
You can find further information in the device manual.
Secret Menu
Here are a few hints for network installation if things dont work as expected.
Z-Wave devices control other Z-Wave devices. The relationship between one device controlling another device is called association. In order to control a different device, the controlling device needs to maintain a list of devices that will receive controlling commands. These lists are called association groups and they are always related to certain events (e.g. button pressed, sensor triggers, ...). In case the event happens all devices stored in the respective association group will receive the same wireless command wireless command, typically a 'Basic Set' Command.
| Group Number | Maximum Nodes | Description |
|---|---|---|
| 1 | 5 |
| Dimensions | 86x86x43 mm |
| Weight | 190 gr |
| IP Class | IP 20 |
| Voltage | 230 img/vendors_logo/mco_home.png |
| Load | 16A |
| Device Type | Thermostat |
| Firmware Version | 02.00 |
| Z-Wave Version | 03.43 |
| Z-Wave Product Id | 0x015f.0x0702.0x3102 |
| Frequency | Europe - 868,4 Mhz |
| Maximum transmission power | 5 mW |