Quickstart
This is a
secure
HVAC-Thermostat
for
Europe.
To run this device please connect it to your mains power supply.
SmartStart enabled products can be added into a Z-Wave network by scanning the Z-Wave QR-Code present on the product with a controller providing SmartStart inclusion. No further action is required and the SmartStart product will be added automatically within 10 minutes of being switched on in the network vicinity.
1. Switch off the mains supply (disable the fuse).
2. Open the wall switch box.
3. Connect wires according to the labeling.
Important safety information
Please read this manual carefully. Failure to follow the recommendations in this manual may be dangerous or may violate the law.
The manufacturer, importer, distributor and seller shall not be liable for any loss or damage resulting from failure to comply with the instructions in this manual or any other material.
Use this equipment only for its intended purpose. Follow the disposal instructions.
Do not dispose of electronic equipment or batteries in a fire or near open heat sources.
What is Z-Wave?
Z-Wave is the international wireless protocol for communication in the Smart Home. This
device is suited for use in the region mentioned in the Quickstart section.
Z-Wave ensures a reliable communication by reconfirming every message (two-way
communication) and every mains powered node can act as a repeater for other nodes
(meshed network) in case the receiver is not in direct wireless range of the
transmitter.
This device and every other certified Z-Wave device can be used together with any other
certified Z-Wave device regardless of brand and origin as long as both are suited for the
same frequency range.
If a device supports secure communication it will communicate with other devices
secure as long as this device provides the same or a higher level of security.
Otherwise it will automatically turn into a lower level of security to maintain
backward compatibility.
For more information about Z-Wave technology, devices, white papers etc. please refer
to www.z-wave.info.
Product Description
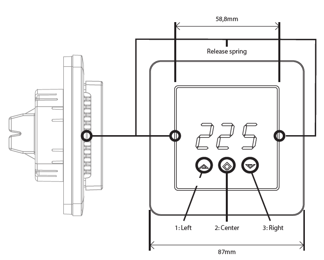
Heatit Z-TRM3 is an electronic thermostat for electrical floorheating, designed to be mounted in a standard flush box. Thethermostat has a built-in Z-Wave chip that can be connected withHome Automation systems. Heatit Z-TRM3 has SmartStart. Thisfeature allows the user to include all devices with SmartStart byscanning the QR codes on the devices. On startup all the deviceswill automatically be included in the gateway (requires SmartStartcompability). This saves the installer a lot of work.Heatit Z-TRM3 is equipped with a single pole switch and fits intoSystem 55 frames. The thermostat can withstand a load of max16A /3600W at 230V. At higher loads the thermostat must controla contactor. The thermostat may be connected to two wiredexternal sensors. The thermostat has the capacity of up to 5associations (relays, wall plugs etc.).The thermostat is designed for electrical heating. It may beused for waterbased heating if the thermostat is linked with theHeatit Z-Water.
Prepare for Installation / Reset
Please read the user manual before installing the product.
In order to include (add) a Z-Wave device to a network it must be in factory default
state. Please make sure to reset the device into factory default. You can do this by
performing an Exclusion operation as described below in the manual. Every Z-Wave
controller is able to perform this operation however it is recommended to use the primary
controller of the previous network to make sure the very device is excluded properly
from this network.
Reset to factory default
This device also allows to be reset without any involvement of a Z-Wave controller. This
procedure should only be used when the primary controller is inoperable.
By pressing buttons Right and Center (down and confirm) for 20 seconds, the thermostat will perform a complete factory reset.
Safety Warning for Mains Powered Devices
ATTENTION: only authorized technicians under consideration of the country-specific
installation guidelines/norms may do works with mains power. Prior to the assembly of
the product, the voltage network has to be switched off and ensured against re-switching.
Installation
Before installation, disconnect any power to the thermostat mains. During installation of the thermostat, power to the thermostat must be disconnected AT ALL TIMES!

1. Switch off the mains supply (disable the fuse).
2. Open the wall switch box.
3. Connect wires according to the labeling.
Inclusion/Exclusion
On factory default the device does not belong to any Z-Wave network. The device needs
to be added to an existing wireless network to communicate with the devices of this network.
This process is called Inclusion.
Devices can also be removed from a network. This process is called Exclusion.
Both processes are initiated by the primary controller of the Z-Wave network. This
controller is turned into exclusion respective inclusion mode. Inclusion and Exclusion is
then performed doing a special manual action right on the device.
Inclusion
1. Press Center (confirm) for 10 seconds. The display will show OFF.
2. Press Right (down) 5 times until you see Con on the display.
3. Start the add/remove device process in your primary controller.
4. Start the add/remove mode in the Heatit Z-TRM3 by pressing Center (confirm) for approximately 2 seconds.
Exclusion
1. Press Center (confirm) for 10 seconds. The display will show OFF.
2. Press Right (down) 5 times until you see Con on the display.
3. Start the add/remove device process in your primary controller.
4. Start the add/remove mode in the Heatit Z-TRM3 by pressing Center (confirm) for approximately 2 seconds.
Product Usage

Principles of regulations
Regulation UsingFloor / External sensor (F, A2 or A2F-Mode)
The thermostat uses temperature readings retrieved from the internal sensor or external wired sensor to regulate heating. When you have chosen a setpoint temperature, the thermostat will use an internal hysteresis to regulate the temperature. This hysteresis is adjustable.
Using Internal sensor (A-mode/AF mode)
If you have a set point of 20°C, the thermostat will use the full power until the temperature is 19°C. The thermostat will then begin to regulate the output from 19°C with a 75% duty cycle until it reaches 19,25°C. When the temperature has reached 19.5°C the thermostat will use a 50% duty cycle, until it reaches 20°C, then the thermostat turns off and repeats the process. For example, at a 75% duty cycle it will turn ON for a total of 90 minutes and OFF for 30 minutes.
Programming the thermostat
To activate the programming mode, press Center (confirm) for 10 seconds. The display will show OFF. You are now in programming
mode. To scroll up and down in the menu, use buttons 1 and 3 (left
and right) to navigate. To enter the submenu, press Center (confirm). Always confirm your setting by pressing Center (confirm) for
2 seconds. Sto will appear to indicate saved settings.
Temperature shown in display
By default, the temperature shown on the display is the setpoint. This may be altered with parameter 13: Temperature display. You may calibrate the sensor values ±4 degrees using parameters 10 to 12.
Standby and main screen
When the thermostat remains untouched for a while, it will automatically revert to the standby screen. The standby screen will by default show the setpoint temperature. By pressing any button once, you will see the measured temperature. By pressing the left or right (up or down) button one more time, you will change the setpoint.
Menu structure
OFF Turns the thermostat off.
Sensors: choice of sensors
F Depending on your choice of sensors, the menu will change.
SEn Select the right Ohm value for your external/floor sensor.
NTC type (10, 12, 15, 22, 33 or 47kΩ). Default 10kΩ.
CAE Calibration for external sensor.
CAF Calibration for floor sensor.
CAr Calibration for internal sensor.
br1 The display brightness may be adjusted in this menu.
Con Activation of inclusion/exclusion mode.
dIF Hysteresis.
ALo Setting lowest allowed temperature (limitation). (Air sensor)
AHI Setting highest allowed temperature (limitation). (Air sensor)
Flo Setting lowest allowed temperature (limitation). (Floor sensor)
FHI Setting highest allowed temperature (limitation). (Floor sensor)
A2L Setting lowest allowed temperature (limitation). (A2 air sensor)
A2H Setting highest allowed temperature (limitation). (A2 air sensor)
ESC Escape exit programming menu.
Choice of Sensor
The thermostat has a range of choices when it comes to sensors.
To access the menu, press Center (confirm) for 10 seconds, then press Right (down) once. An A will appear on the display. Then press Center (confirm) again and choose modes while moving up and down with buttons Left or Right:
F Floor sensor
A Internal sensor
AF nternal sensor + Floor sensor
A2 External room sensor
A2F External room sensor + Floor sensor
When you have chosen sensor mode, press the Center (confirm) button.
If you choose F without having a floor sensor connected, Er4 will be shown in the display. If you choose A2 or A2F and there is no external sensor installed, Er5 will be displayed on the screen.
NOTE: Wooden floors require that a floor sensor is connected in order to limit the floor temperature to a maximum of 27°C (in accordance with specifications from most wooden floor manufacturers).
When using the thermostat is used in (AF or A2F) the floor limiter FHI is automaticly set to 27°C. When using any other sensor type (A, F or A2F) the max temperatures is default 5°C minum and 40°C maximum.
Selecting the right ohm value for your external floor sensor
The following values are available: NTC type (10, 12, 15, 22, 33 or 47kΩ). Default 10kΩ. Confirm with the Center (confirm) button. You can not combine two types of NTC sensors.
Calibration
(CAr, CAF, CAE Parameters 10, 11, 12) Using Floor / External sensor (F, A2 or A2F-mode)
In this mode, you may adjust the displayed temperature. If the Temperature sensor is not calibrated properly, you can make minor changes to the temperature readout. You can calibrate the measured temperature by up to ±4°C.
You may later adjust the temperature recorded by the sensor using in the menu structure or using parameters.
Brightness
Use Left and Right (up and down) buttons to adjust the brightness level from 0 to 9. Confirm with the Center (confirm) button.
Hysteresis (dIF)
In this mode, you can make changes to the thermostat hysteresis. You may change the hysteresis from 0,3°C up to max 3,0°C. Confirm with the Center (confirm) button. The Default setting is 0,5°C. When using water based heating, the recommended hysteresis is a minimum of 1,0°C. This only applies when using a floor sensor or an external sensor.
MIN/MAX Temperature settings
Flo Min Floor temperature
FHI Max Floor temperature
ALo Min Air/room temperature
AHI Max Air/room temperature
Confirm with Center (confirm)
ESC Leaving programming mode.
Confirm with the Center (confirm) button.
When using the thermostat is used in (AF or A2F) the floor limiter FHI is automaticly set to 27°C. When using any other sensor type (A, F or A2F) the max temperatures is default 5°C minum and 40°C maximum.
Display ON/OFF (don/doF)
Activate by pressing the Left and Center (up and confirm) buttons for 10 seconds. The display light is temporarily activated if one of the buttons is pushed.
In case doF is activated, the screen will be blank (may be used if installed where people are sensitive to the display light). When touching the display, the screen lights up.
Child lock (LOC)
By pressing the Left and Right (up and down) buttons for 10 seconds, child lock will be activated, and no changes can be made. Trying to make changes causes the LOC text to appear on the display. Child lock is deactivated by pressing Left and Right (up and down) buttons for 10 seconds. OPn will appear on the display.
ERROR Codes
Err Adding fail
Er1 Internal error - Contact your local dealer.
Er2 Z-Wave error - Contact your local dealer.
Er3 Internal error - Contact your local dealer.
Er4 Floor sensor error -You have chosen F, AF or A2F sensor mode without having a floor sensor connected, or the sensor may be damaged.
Er5 External sensor error - You have chosen A2 or A2F, and there are no external sensors installed or the sensor may be damaged.
Quick trouble shooting
Here are a few hints for network installation if things dont work as expected.
- Make sure a device is in factory reset state before including. In doubt exclude before include.
- If inclusion still fails, check if both devices use the same frequency.
- Remove all dead devices from associations. Otherwise you will see severe delays.
- Never use sleeping battery devices without a central controller.
- Dont poll FLIRS devices.
- Make sure to have enough mains powered device to benefit from the meshing
Association - one device controls an other device
Z-Wave devices control other Z-Wave devices. The relationship between one device
controlling another device is called association. In order to control a different
device, the controlling device needs to maintain a list of devices that will receive
controlling commands. These lists are called association groups and they are always
related to certain events (e.g. button pressed, sensor triggers, ...). In case
the event happens all devices stored in the respective association group will
receive the same wireless command wireless command, typically a 'Basic Set' Command.
Association Groups:
| Group Number |
Maximum Nodes |
Description |
| 1 |
5 |
Lifeline. Normally used by the Z-Wave Controller |
| 2 |
5 |
Send Binary Switch Set commands representing the status of the internal relay |
| 3 |
5 |
Send Multilevel Sensor Reports for internal temperature sensor |
| 4 |
5 |
Send Multilevel Sensor Reports for external room temperature sensor |
| 5 |
5 |
Send Multilevel Sensor Reports for floor sensor |
Configuration Parameters
Z-Wave products are supposed to work out of the box after inclusion, however
certain configuration can adapt the function better to user needs or unlock further
enhanced features.
IMPORTANT: Controllers may only allow configuring
signed values. In order to set values in the range 128 ... 255 the value sent in
the application shall be the desired value minus 256. For example: To set a
parameter to 200 it may be needed to set a value of 200 minus 256 = minus 56.
In case of a two byte value the same logic applies: Values greater than 32768 may
needed to be given as negative values too.
Parameter 1: Operation mode
Operation mode
Size: 1 Byte, Default Value: 1
| Setting |
Description |
| 0 |
Off |
| 1 |
Heating mode (Default) |
Parameter 10: Room sensor calibration (A)
Room sensor calibration (A)NB. To set a negative value, use 256 and subtract the desired value.
Size: 1 Byte, Default Value: 0
| Setting |
Description |
| -60 - 60 |
-6.0C to 6.0C. Default is 0 (0.0C) |
Parameter 11: Floor sensor calibration
Floor sensor calibration.NB. To set a negative value, use 256 and subtract the desired value.
Size: 1 Byte, Default Value: 0
| Setting |
Description |
| -60 - 60 |
-6.0C to 6.0C. Default is 0 (0.0C) |
Parameter 12: External sensor calibration
External sensor calibration.NB. To set a negative value, use 256 and subtract the desired value.
Size: 1 Byte, Default Value: 0
| Setting |
Description |
| -60 - 60 |
-6.0C to 6.0C. Default is 0 (0.0C) |
Parameter 13: Temperature display
Temperature display.Selects which temperature is shown on the display.Refer to Chapter 11 Standby and main screen.
Size: 1 Byte, Default Value: 0
| Setting |
Description |
| 0 |
Display setpoint temperature (Default) |
| 1 |
Display measured temperature |
Parameter 14: Button brightnessdimmed state
Button brightnessdimmed state.Configure the brightness of the buttons in dimmed state.
Size: 1 Byte, Default Value: 50
| Setting |
Description |
| 0 - 100 |
0 to 100% (Default 50%) |
Parameter 15: Button brightnessactive state
Button brightnessactive state.Configure the brightness of the buttons in active state.
Size: 1 Byte, Default Value: 100
| Setting |
Description |
| 0 - 100 |
0 to 100% (Default 100%) |
Parameter 16: Display brightnessdimmed state
Display brightnessdimmed state.Configure the brightness of the display in dimmed state.
Size: 1 Byte, Default Value: 50
| Setting |
Description |
| 0 - 100 |
0 to 100% (Default 50%) |
Parameter 17: Display brightnessactive state
Display brightnessactive state.Configure the brightness of the display, in active state.
Size: 1 Byte, Default Value: 100
| Setting |
Description |
| 0 - 100 |
0 to 100% (Default 100%) |
Parameter 18: Temperature report interval
Temperature report interval.Time interval between consecutive temperature reports. Temperature reports canalso be sent as a result of polling.
Size: 2 Byte, Default Value: 60
| Setting |
Description |
| 30 - 32767 |
30 seconds to 32767 seconds. Default is 60 seconds |
Parameter 19: Temperature report hysteresis
Temperature report hysteresis.The temperature report will be sent if there is a difference in temperature valuefrom the previous value reported, defined in this parameter (hysteresis). Temperaturereports can also be sent as a result of polling.
Size: 1 Byte, Default Value: 10
| Setting |
Description |
| 1 - 100 |
0.1C to 10.0C. Default is 10 (1.0C) |
Parameter 2: Sensor mode
Sensor mode
Size: 1 Byte, Default Value: 1
| Setting |
Description |
| 0 |
F-mode, floor sensor mode |
| 1 |
A-mode, internal room sensor mode (Default) |
| 2 |
AF-mode, internal room sensor with floor limitation |
| 3 |
A2-mode, external room sensor mode |
| 4 |
A2F-mode, external sensor with floor limitation |
Parameter 20: Meter report interval.
Meter report interval.Time interval between consecutive meter reports. Meter reports can also be sent as a result of polling.
Size: 2 Byte, Default Value: 90
| Setting |
Description |
| 30 - 32767 |
30 seconds to 32767 seconds. Default is 90 seconds |
Parameter 21: Meter report delta value
Meter report delta value.Delta value in kWh between consecutive meter reports. Meter reports can also be sent as a result of polling.
Size: 1 Byte, Default Value: 10
| Setting |
Description |
| 0 |
Reporting meter based on change is disabled |
| 255 |
A delta value of 0 to 25.5 kWh will result in a metering report. Default is 10 (1.0 kWh) |
Parameter 3: Floor sensor type
Floor sensor type
Size: 1 Byte, Default Value: 0
| Setting |
Description |
| 0 |
10K NTC (Default) |
| 1 |
12K NTC |
| 2 |
15K NTC |
| 3 |
22K NTC |
| 4 |
33K NTC |
| 5 |
47K NTC |
Parameter 4: Temperature control hysteresis (DIFF I)
Temperature control hysteresis (DIFF I)
Size: 1 Byte, Default Value: 5
| Setting |
Description |
| 3 - 30 |
0.3C to 3.0C. Default is 5 (0.5C) |
Parameter 5: Floor minimum temperature limit (FLo)
Floor minimum temperature limit (FLo)
Size: 2 Byte, Default Value: 50
| Setting |
Description |
| 50 - 400 |
5.0C to 40.0C. Default is 50 (5.0C) |
Parameter 6: Floor maximum temperature limit (FHi)
Floor maximum temperature limit (FHi)
Size: 2 Byte, Default Value: 400
| Setting |
Description |
| 50 - 400 |
5.0C to 40.0C. Default is 400 (40.0C) |
Parameter 7: Air (A2) minimum temperature limit (ALo)
Air (A2) minimum temperature limit (ALo)
Size: 2 Byte, Default Value: 50
| Setting |
Description |
| 50 - 400 |
5.0C to 40.0C. Default is 50 (5.0C) |
Parameter 8: Air (A2) maximum temperature limit (AHi)
Air (A2) maximum temperature limit (AHi)
Size: 2 Byte, Default Value: 400
| Setting |
Description |
| 50 - 400 |
5.0C to 40.0C. Default is 400 (40.0C) |
Parameter 9: Heating mode setpoint
Heating mode setpoint
Size: 2 Byte, Default Value: 210
| Setting |
Description |
| 50 - 400 |
5.0C to 40.0C. Default is 210 (21.0C) |
Technical Data
| Dimensions |
87 x 52 x 87 mm |
| Weight |
110 gr |
| Hardware Platform |
ZM5101 |
| EAN |
7071236015239 |
| IP Class |
IP 21 |
| Voltage |
230V |
| Load |
16A |
| Device Type |
Thermostat - HVAC |
| Network Operation |
Always On Slave |
| Z-Wave Version |
6.81.06 |
| Certification ID |
ZC10-20036889 |
| Z-Wave Product Id |
0x019B.0x0003.0x0203 |
| Neutral Wire Required |
ok |
| Thermostat Power Source |
Mains powered (120V/240V) |
| Electric Load Type |
Dimmable ELV (Magnetic)Dimmable FluorescentDimmable LEDDimmable MLV (Magnetic)ELV (Electronic)FluorescentIncandescentInductive (e.g. Motor)LEDMLV (Magnetic) |
| Color |
White |
| Switch Type |
Dry Contact |
| Thermostat Modes |
Heat |
| Firmware Updatable |
Updatable by Consumer by RF |
| IP (Ingress Protection) Rated |
ok |
| Thermostat HVAC Systems Supported |
Simple Relay |
| Frequency |
Europe - 868,4 Mhz |
| Maximum transmission power |
5 mW |
Supported Command Classes
- Association Grp Info
- Association V2
- Basic V2
- Configuration V3
- Device Reset Locally
- Firmware Update Md V4
- Manufacturer Specific V2
- Meter V3
- Multi Channel Association V3
- Multi Channel V4
- Powerlevel
- Security
- Security 2
- Sensor Multilevel V5
- Supervision
- Thermostat Mode V3
- Thermostat Operating State
- Thermostat Setpoint V3
- Transport Service V2
- Version V3
- Zwaveplus Info V2
Controlled Command Classes
- Meter V3
- Sensor Multilevel V5
- Thermostat Mode V3
- Thermostat Operating State
- Thermostat Setpoint V3
Explanation of Z-Wave specific terms
- Controller — is a Z-Wave device with capabilities to manage the network.
Controllers are typically Gateways,Remote Controls or battery operated wall controllers.
- Slave — is a Z-Wave device without capabilities to manage the network.
Slaves can be sensors, actuators and even remote controls.
- Primary Controller — is the central organizer of the network. It must be
a controller. There can be only one primary controller in a Z-Wave network.
- Inclusion — is the process of adding new Z-Wave devices into a network.
- Exclusion — is the process of removing Z-Wave devices from the network.
- Association — is a control relationship between a controlling device and
a controlled device.
- Wakeup Notification — is a special wireless message issued by a Z-Wave
device to announces that is able to communicate.
- Node Information Frame — is a special wireless message issued by a
Z-Wave device to announce its capabilities and functions.