Quickstart

This is a On/Off Power Switch for Europe. To run this device please connect it to your mains power supply. To add this device to your network execute the following action:
1. Install the device according to the instructions.
2. Press the button 2 times quickly on the Nano Switch.



Important safety information

Please read this manual carefully. Failure to follow the recommendations in this manual may be dangerous or may violate the law. The manufacturer, importer, distributor and seller shall not be liable for any loss or damage resulting from failure to comply with the instructions in this manual or any other material. Use this equipment only for its intended purpose. Follow the disposal instructions. Do not dispose of electronic equipment or batteries in a fire or near open heat sources.

What is Z-Wave?

Z-Wave is the international wireless protocol for communication in the Smart Home. This device is suited for use in the region mentioned in the Quickstart section.

Z-Wave ensures a reliable communication by reconfirming every message (two-way communication) and every mains powered node can act as a repeater for other nodes (meshed network) in case the receiver is not in direct wireless range of the transmitter.

This device and every other certified Z-Wave device can be used together with any other certified Z-Wave device regardless of brand and origin as long as both are suited for the same frequency range.

If a device supports secure communication it will communicate with other devices secure as long as this device provides the same or a higher level of security. Otherwise it will automatically turn into a lower level of security to maintain backward compatibility.

For more information about Z-Wave technology, devices, white papers etc. please refer to www.z-wave.info.

Product Description

Aeotec  Nano Switch is a low-cost Z-Wave Switch specifically used to enable Z-Wave command and control (on/off) of any wall switches. It can report immediate wattage consumption or kWh energy usage over a period of time. In the event of power failure, non-volatile memory retains all programmed information relating to the unit?s operating status.

It can connect to 2 external manual switches to control the load ON/OFF independently. Its surface has a pin socket, which can be used for connecting to the touch panel, so you can also use the touch panel to control the Nano Switch. 

The Nano Switch is also a security Z-Wave device and supports Over The Air (OTA) feature for the products firmware upgrade.

Prepare for Installation / Reset

Please read the user manual before installing the product.

In order to include (add) a Z-Wave device to a network it must be in factory default state. Please make sure to reset the device into factory default. You can do this by performing an Exclusion operation as described below in the manual. Every Z-Wave controller is able to perform this operation however it is recommended to use the primary controller of the previous network to make sure the very device is excluded properly from this network.

Reset to factory default

This device also allows to be reset without any involvement of a Z-Wave controller. This procedure should only be used when the primary controller is inoperable.

Set Parameter 255

Safety Warning for Mains Powered Devices

ATTENTION: only authorized technicians under consideration of the country-specific installation guidelines/norms may do works with mains power. Prior to the assembly of the product, the voltage network has to be switched off and ensured against re-switching.

Installation


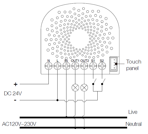
Notes for the wire connection ports:

N ? Power input for neutral
L ? Power input for live
IN ? Input for load power supply
OUT1 ? Output for load 1
OUT2 ? Output for load 2
S1 ? External switch control for load 1
S2 ? External switch control for load 2

1. Shut off the main circuit breaker of your home for safety during the installation and ensure the wires are not short circuited during the installation which will cause damage to the Nano Switch.
Note: Your home?s main circuit breaker must support the overload protection for safety.

2. Preparing connection wires 14 AWG power wires for Input/ Output. 18 AWG copper wires for external manual switch. Use the wire stripper cut the metallic part of the connection wire and make sure the length of the metallic part is about 5mm.
Note: All connection wires needs to be flexible cable.

Wiring diagram of AC120V/230V power input.



In some cases, you may have some loads just only can be used on the voltage of DC24V and hope that it still can be controlled by the Nano Switch, so please refer to the following diagram to achieve this:

Note: The ?IN? terminal should be connected to the ?-? of DC 24V input.

Wiring diagram of DC24V power input.

Since the Nano Switch also supports the DC24V power input, so you can use it to control the loads that powered by DC24V.

If the output loads should be only powered by AC120V or AC230V, you can change the wire connection as below:



Note: The ?IN? terminal should be connected to the ?Live? of AC 120V/230V power wire.

All above wiring diagrams show that the Nano Switch uses 2-Way or momentary button switches as the external manual switch for 2-Way connection. The below diagram will show you that the Nano Switch uses the SPDT (Single-Pole Double-Throw) switches as the external manual switch for 3-Way connection.

Wiring diagram of 3-Way connection for the external manual switch.

Inclusion/Exclusion

On factory default the device does not belong to any Z-Wave network. The device needs to be added to an existing wireless network to communicate with the devices of this network. This process is called Inclusion.

Devices can also be removed from a network. This process is called Exclusion. Both processes are initiated by the primary controller of the Z-Wave network. This controller is turned into exclusion respective inclusion mode. Inclusion and Exclusion is then performed doing a special manual action right on the device.

Inclusion

1. Install the device according to the instructions.
2. Press the button 2 times quickly on the Nano Switch.

Exclusion

1. Press the button once on the Dual Nano Switch.

Quick trouble shooting

Here are a few hints for network installation if things dont work as expected.

  1. Make sure a device is in factory reset state before including. In doubt exclude before include.
  2. If inclusion still fails, check if both devices use the same frequency.
  3. Remove all dead devices from associations. Otherwise you will see severe delays.
  4. Never use sleeping battery devices without a central controller.
  5. Dont poll FLIRS devices.
  6. Make sure to have enough mains powered device to benefit from the meshing

Association - one device controls an other device

Z-Wave devices control other Z-Wave devices. The relationship between one device controlling another device is called association. In order to control a different device, the controlling device needs to maintain a list of devices that will receive controlling commands. These lists are called association groups and they are always related to certain events (e.g. button pressed, sensor triggers, ...). In case the event happens all devices stored in the respective association group will receive the same wireless command wireless command, typically a 'Basic Set' Command.

Association Groups:

Group Number Maximum Nodes Description
1 5 Z-Wave Plus Lifeline.When the load state of Nano Switch (on/off) is changed, the Hail CC, Switch Multilevel Report and Basic Report (configured by parameter 80) can be sent to the associated nodes in this group.
2 5
Forward the Basic Set, Switch All, Scene Activation Set to associated nodes in Group 2 when the Nano Switch receives the Basic Set, Switch All, Scene Activation Set commands from main controller.
3 5 Send Basic Set (configured by parameter 82) to the associated nodes in Group 3 when the external switch S1 is operated
4 5 Send Basic Set (configured by parameter 82) to the associated nodes in Group 4 when the external switch S2 is operated

Configuration Parameters

Z-Wave products are supposed to work out of the box after inclusion, however certain configuration can adapt the function better to user needs or unlock further enhanced features.

IMPORTANT: Controllers may only allow configuring signed values. In order to set values in the range 128 ... 255 the value sent in the application shall be the desired value minus 256. For example: To set a parameter to 200 it may be needed to set a value of 200 minus 256 = minus 56. In case of a two byte value the same logic applies: Values greater than 32768 may needed to be given as negative values too.

Parameter 3: Current Overload Protection.

Over current protection. Output load will be closed after 30 seconds if the current exceeds (US: 15.5A, AU or EU: 10.5A)
Size: 1 Byte, Default Value: 1

Setting Description
0 Disable
1 Enable

Parameter 4: Overheat protection.

Output Load will be turned off automatically after 30 seconds and if the temperature of product inside exceeds 100°C.
Size: 1 Byte, Default Value: 0

Setting Description
0 Disable
1 Enable

Parameter 20: Configure the output status after re-power on it.

Configure the output status after re-power on it.
Size: 1 Byte, Default Value: 0

Setting Description
0 Last status
1 Always on
2 Always off

Parameter 80: To set which notification would be sent to the associated devices (Group 1)

To set which notification would be sent to the associated devices (Group 1) when the state of Nano Dimmers load is changed.
Size: 1 Byte, Default Value: 0

Setting Description
0 Send Nothing
1 Send Hail CC
2 Send Basic CC report
3 Send Multilevel Switch report
4 Send Hail CC when using the manual switch to change the load state.

Parameter 81: To set which notification would be sent to the associated nodes in association group 3

To set which notification would be sent to the associated nodes in association Group 3 when using the external switch 1 to switch the loads.
Size: 1 Byte, Default Value: 1

Setting Description
0 Send Nothing
1 Send Basic Set CC

Parameter 82: To set which notification would be sent to the associated nodes in association group 4

To set which notification would be sent to the associated nodes in association Group 4 when using the external switch 2 to switch the loads.
Size: 1 Byte, Default Value: 1

Setting Description
0 Send Nothing
1 Send Basic Set CC

Parameter 83: Configure the state of LED

Configure the state of LED when it is in 3 modes
Size: 1 Byte, Default Value: 0

Setting Description
0 The LED will follow the status (on/off) of its load (Energy mode).
256 - 316 The hour value of ON time
2 Night light mode.

Parameter 84: ON/OFF time

Set the ON/OFF time of the LED when it is in Night light mode.
Size: 4 Byte, Default Value: 524306

Setting Description
0 - 60 The minute time of OFF
256 - 316 The hour time of OFF
65536 - 65596 The minute time of ON
16777216 - 16777276 The hour time of ON

Parameter 86: Set appointment 1

Set appointment 1
Size: 4 Byte, Default Value: 2293760

Setting Description
0 - 60 The minute value of ON time
256 - 316 The minute value of ON time
65536 - 65543 The day value (Mon to Sun)
16777215 Disable the setting.
16777216 Enable the setting.

Parameter 87: Set appointment 2

Set appointment 2
Size: 4 Byte, Default Value: 2293760

Setting Description
0 - 60 The minute value of ON time
256 - 316 The hour value of ON time
65536 - 65543 The day value (Mon to Sun)
16777215 Disable the setting.
16777216 Enable the setting.

Parameter 90: Enables/disables parameter 91 and 92 below:

Enables/disables the function of parameter 91 and 92.
Size: 1 Byte, Default Value: 0

Setting Description
0 Disable
1 Enable

Parameter 91: Set the threshold value of wattage.

Threshold change in wattage (in terms of wattage) to induce an automatic report.
Size: 2 Byte, Default Value: 25

Setting Description
0 - 60000 The thershold value range is 0 to 60000

Parameter 92: Set the threshold value of wattage.

Threshold change in wattage (in terms of percentage) to induce an automatic report.
Size: 1 Byte, Default Value: 5

Setting Description
0 - 100 The thershold value range is 0 to 100

Parameter 100: Set parameter 101-103 to default value.

Set parameter 101-103 to default value.
Size: 1 Byte, Default Value: 0

Setting Description
0 Reset the parameter 101-103

Parameter 101: To set which reports need to be sent in Report group 1.

To set which reports need to be sent in Report group 1.
Size: 4 Byte, Default Value: 0

Setting Description
1 Send Meter Report of voltage (V)
2 Send Meter Report of current (A)
4 Send Meter Report of wattage (W)
8 Send Meter Report of energy (kWh)

Parameter 102: To set which reports need to be sent in Report group 2.

To set which reports need to be sent in Report group 2.
Size: 1 Byte, Default Value: 0

Setting Description
1 Send Meter Report of voltage (V)
2 Send Meter Report of current (A)
4 Send Meter Report of wattage (W)
8 Send Meter Report of energy (kWh)

Parameter 103: To set which reports need to be sent in Report group 3.

To set which reports need to be sent in Report group 3.
Size: 1 Byte, Default Value: 0

Setting Description
1 Send Meter Report of voltage (V)
2 Send Meter Report of current (A)
4 Send Meter Report of wattage (W)
8 Send Meter Report of energy (kWh)

Parameter 110: Set parameter 111-113 to default value.

Set parameter 111-113 to default value.
Size: 1 Byte, Default Value: 0

Setting Description
0 Reset the parameter 111-113

Parameter 111: Set the interval of automatic report for Report group 1.

Set the interval of automatic report for Report group 1.
Size: 4 Byte, Default Value: 3

Setting Description
1 - 2147483647 The range of interval time is 1 to 2147483647.

Parameter 112: Set the interval of automatic report for Report group 2.

Set the interval of automatic report for Report group 2.
Size: 4 Byte, Default Value: 600

Setting Description
1 - 2147483647 The range of interval time is 1 to 2147483647.

Parameter 113: Set the interval of automatic report for Report group 2.

Set the interval of automatic report for Report group 3.
Size: 4 Byte, Default Value: 600

Setting Description
1 - 2147483647 The range of interval time is 1 to 2147483647.

Parameter 120: Configure the external switch mode for S1.

Configure the external switch mode for S1.
Size: 1 Byte, Default Value: 0

Setting Description
0 Enter automatic identification mode
1 Momentary push button mode
2 3 way switch mode
3 2-state switch mode

Parameter 121: Configure the external switch mode for S2.

Configure the external switch mode for S2.
Size: 1 Byte, Default Value: 0

Setting Description
0 Enter automatic identification mode
1 Momentary push button mode
2 3 way switch mode
3 2-state switch mode

Parameter 122: Set the control destination for external switch S1

Set the control destination of the external switch.
Size: 1 Byte, Default Value: 3

Setting Description
1 control the output loads of itself.
2 control the other nodes
3 control the output loads of itself and other nodes.

Parameter 252: Lock/unlock configuration parameters

Lock/unlock configuration parameters.
Size: 1 Byte, Default Value: 0

Setting Description
0 Unlock
1 Lock

Parameter 255: Reset the Nano Dimmer

Reset the Nano Dimmer to factory default.
Size: 4 Byte, Default Value: 0

Setting Description
0 Reset all configuration parameters to factory default setting
1431655765 Reset to factory default setting and removed from the z-wave network

Technical Data

Dimensions 0.0425000x0.0400000x0.0200000 mm
Weight 28.5 gr
Hardware Platform ZM5202
EAN 1220000015333
IP Class IP 20
Voltage 24V DC/ 230V AC
Load 10 A
Device Type On/Off Power Switch
Generic Device Class Binary Switch
Specific Device Class Binary Power Switch
Firmware Version 01.00
Z-Wave Version 04.22
Certification ID ZC10-17035496
Z-Wave Product Id 0x0086.0x0003.0x0074
Frequency Europe - 868,4 Mhz
Maximum transmission power 5 mW

Supported Command Classes

  • Basic
  • Switch Binary
  • Switch All
  • Scene Activation
  • Scene Actuator Conf
  • Meter
  • Association Grp Info
  • Device Reset Locally
  • Zwaveplus Info
  • Configuration
  • Alarm
  • Manufacturer Specific
  • Powerlevel
  • Firmware Update Md
  • Clock
  • Association
  • Version
  • Hail

Controlled Command Classes

  • Hail

Explanation of Z-Wave specific terms

  • Controller — is a Z-Wave device with capabilities to manage the network. Controllers are typically Gateways,Remote Controls or battery operated wall controllers.
  • Slave — is a Z-Wave device without capabilities to manage the network. Slaves can be sensors, actuators and even remote controls.
  • Primary Controller — is the central organizer of the network. It must be a controller. There can be only one primary controller in a Z-Wave network.
  • Inclusion — is the process of adding new Z-Wave devices into a network.
  • Exclusion — is the process of removing Z-Wave devices from the network.
  • Association — is a control relationship between a controlling device and a controlled device.
  • Wakeup Notification — is a special wireless message issued by a Z-Wave device to announces that is able to communicate.
  • Node Information Frame — is a special wireless message issued by a Z-Wave device to announce its capabilities and functions.