Quickstart

This is a On/Off Power Switch for Europe. To run this device please connect it to your mains power supply.
1. Put your system controller into inclusion mode by following the instructions provided by your controller manufacturer.
2. Press the push button (B) located on the top of the device once."



Important safety information

Please read this manual carefully. Failure to follow the recommendations in this manual may be dangerous or may violate the law. The manufacturer, importer, distributor and seller shall not be liable for any loss or damage resulting from failure to comply with the instructions in this manual or any other material. Use this equipment only for its intended purpose. Follow the disposal instructions. Do not dispose of electronic equipment or batteries in a fire or near open heat sources.

What is Z-Wave?

Z-Wave is the international wireless protocol for communication in the Smart Home. This device is suited for use in the region mentioned in the Quickstart section.

Z-Wave ensures a reliable communication by reconfirming every message (two-way communication) and every mains powered node can act as a repeater for other nodes (meshed network) in case the receiver is not in direct wireless range of the transmitter.

This device and every other certified Z-Wave device can be used together with any other certified Z-Wave device regardless of brand and origin as long as both are suited for the same frequency range.

If a device supports secure communication it will communicate with other devices secure as long as this device provides the same or a higher level of security. Otherwise it will automatically turn into a lower level of security to maintain backward compatibility.

For more information about Z-Wave technology, devices, white papers etc. please refer to www.z-wave.info.

Product Description

The smallest device in its category worldwide, and the only device specifically intended for use both as a Relay Switch with integrated power meter, and as an Energy Meter either at the point of entry of your electrical system, or on a section of the latter. Available in two versions, version S featuring an internal shunt resistor, and version C featuring an external current transformer, it is capable of measuring loads exceeding 10 KW. In addition to Power measurements, the device also provides data for Energy, Voltage, Current and Power factor.
The only device suited for use with all types of Z-Wave controller, and capable of implementing an active energy-saving management policy defined by the user according to his energy consumption, or to the amount of energy produced by his solar power system. It automatically connects and disconnects a specific load if the threshold limit is exceeded, or “supplies” the required power, momentarily excluding non-priority loads.

Prepare for Installation / Reset

Please read the user manual before installing the product.

In order to include (add) a Z-Wave device to a network it must be in factory default state. Please make sure to reset the device into factory default. You can do this by performing an Exclusion operation as described below in the manual. Every Z-Wave controller is able to perform this operation however it is recommended to use the primary controller of the previous network to make sure the very device is excluded properly from this network.

Reset to factory default

This device also allows to be reset without any involvement of a Z-Wave controller. This procedure should only be used when the primary controller is inoperable.

Press the push button (B) located on the top of the device six consecutive times within one minute from system start-up.

Safety Warning for Mains Powered Devices

ATTENTION: only authorized technicians under consideration of the country-specific installation guidelines/norms may do works with mains power. Prior to the assembly of the product, the voltage network has to be switched off and ensured against re-switching.

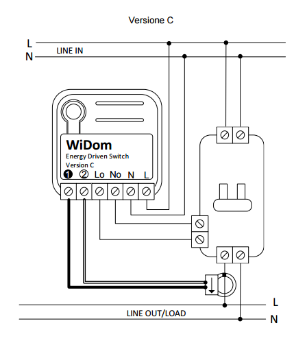
Installation

WiDom Driven Switch Activation

1) Ensure that the main power switch is set in the OFF position 
2) Connect the device following the diagrams provided 
3) Shut the electrical box containing the device 
4) Turn the main power switch back on 
5) Include the device into the Z-Wave network

Electrical Connections 

The device must be supplied by phase and neutral. Connections must be made according to one of the diagrams below.

Local load contro

In this mode the load is controlled directly by the internal relay. The opening and closing of the relay contacts are synchronized to take place, respectively, when a zero current or voltage is reached.



Remote load control 
In this mode the device has no locally connected load, and the measures of current and power are based on all devices connected to the “LINE OUT” section of the system. The devices connected to the “LINE OUT” can be controlled individually based on the configured energy events.



Load control by external contactor

This mode, available only for version C and the use of an external contactor, allows the management of loads
up to 45A. The device supports two types of external contactors:
- Normally open (in the absence of signal from the relay the “LINE OUT” is disconnected)
- Normally close (in the absence of signal from the relay the “LINE OUT” is connected)
The load control mode and type of external contactor can be set up with parameter No. 63.




Inclusion/Exclusion

On factory default the device does not belong to any Z-Wave network. The device needs to be added to an existing wireless network to communicate with the devices of this network. This process is called Inclusion.

Devices can also be removed from a network. This process is called Exclusion. Both processes are initiated by the primary controller of the Z-Wave network. This controller is turned into exclusion respective inclusion mode. Inclusion and Exclusion is then performed doing a special manual action right on the device.

Inclusion

Press the once  push button (B) located on the top of the device or push once the external Switch.

Exclusion

Press the three times the push button (B)

Quick trouble shooting

Here are a few hints for network installation if things dont work as expected.

  1. Make sure a device is in factory reset state before including. In doubt exclude before include.
  2. If inclusion still fails, check if both devices use the same frequency.
  3. Remove all dead devices from associations. Otherwise you will see severe delays.
  4. Never use sleeping battery devices without a central controller.
  5. Dont poll FLIRS devices.
  6. Make sure to have enough mains powered device to benefit from the meshing

Association - one device controls an other device

Z-Wave devices control other Z-Wave devices. The relationship between one device controlling another device is called association. In order to control a different device, the controlling device needs to maintain a list of devices that will receive controlling commands. These lists are called association groups and they are always related to certain events (e.g. button pressed, sensor triggers, ...). In case the event happens all devices stored in the respective association group will receive the same wireless command wireless command, typically a 'Basic Set' Command.

Association Groups:

Group Number Maximum Nodes Description
1 8 Z-Wave Plus Lifeline:Devices to receive notifications on: status changes; energy and power levels; device local reset
2 8 Up Power Level Group:Devices controlled by the Up Power event
3 8 Down Power Level Group:Devices controlled by the Down Power event

Configuration Parameters

Z-Wave products are supposed to work out of the box after inclusion, however certain configuration can adapt the function better to user needs or unlock further enhanced features.

IMPORTANT: Controllers may only allow configuring signed values. In order to set values in the range 128 ... 255 the value sent in the application shall be the desired value minus 256. For example: To set a parameter to 200 it may be needed to set a value of 200 minus 256 = minus 56. In case of a two byte value the same logic applies: Values greater than 32768 may needed to be given as negative values too.

Parameter 1: Device Status

Controlling the relay by means of a single click on the external switch or on the integrated button.
Size: 1 Byte, Default Value: 1

Setting Description
1 TOGGLE
2 ON
3 OFF
4 IGNORE

Parameter 20: Device status upon receipt of a Basic Set command

The final status achieved by the device when it receives a Basic Set command through the Z-Wave network.
Size: 1 Byte, Default Value: 0

Setting Description
1 AS RECEIVED
2 IGNORE IF ON
3 IGNORE IF OFF
4 IGNORE

Parameter 30: Overcurrent level

Sets the current level above which the time spent above that level is measured.
Size: 2 Byte, Default Value: 1250

Setting Description
0 - 1250 Overcurren level in hundredths of Amperes

Parameter 31: Overcurrent time

Sets the time beyond which, in the case of overcurrent at a level higher than that established in parameter 30, an OverCurrent event occurs.
Size: 2 Byte, Default Value: 10

Setting Description
0 - 10800 Time in seconds

Parameter 32: Next State

Defines the next state of the device if an overcurrent event has occurred.
Size: 1 Byte, Default Value: 0

Setting Description
0 IGNORE
1 ON
2 OFF
3 TOGGLE

Parameter 33: Meter Reset

Provides total operating time from last meter reset. When set to 0 it resets the cumulated values of energy and total operating time.
Size: 4 Byte, Default Value: 1

Setting Description
0 RESET METER

Parameter 34: Energy flow

Determines whether energy events are related to energy consumed or energy produced.
Size: 1 Byte, Default Value: 1

Setting Description
1 Consumed
2 Produced

Parameter 35: UP Power Level

Sets the level of instantaneous power in Watts beyond which time of permanence above this level is calculated.
Size: 2 Byte, Default Value: 3000

Setting Description
0 - 3000 UP Power level in Watt

Parameter 36: UP Power Time

Sets the time in seconds beyond which, if instantaneous power remains at levels exceeding threshold defined by parameter 35, a UP Power event occurs.
Size: 2 Byte, Default Value: 0

Setting Description
0 - 10800 UP Power Time in seconds

Parameter 38: UP Power Associated

Defines the status of associated devices in the presence of a UP Power event.
Size: 1 Byte, Default Value: 0

Setting Description
0 OFF
1 - 99 Dimming
100 ON

Parameter 39: DOWN Power Level

Sets the level of instantaneous power beyond which the time of permanence below this level is calculated.
Size: 2 Byte, Default Value: 0

Setting Description
0 - 11250 DOWN Power Level in Watt

Parameter 40: DOWN Power Time

Sets the time beyond which, if instantaneous power remains at levels below threshold defined by parameter 39, a DOWN Power event occurs.
Size: 2 Byte, Default Value: 10

Setting Description
0 - 10800 DOWN Power Time in seconds

Parameter 41: DOWN Power State

Defines the next state of the device in the case of a DOWN Power event occurring.
Size: 1 Byte, Default Value: 0

Setting Description
0 IGNORE
1 ON
2 OFF
3 TOGGLE

Parameter 42: DOWN Power Associated

Defines the status of associated devices in the presence of a DOWN Power event.
Size: 1 Byte, Default Value: 0

Setting Description
0 OFF
1 - 99 Dimming
255 ON

Parameter 43: Energy Level

Sets the energy level that once exceeded an Energy Limit event occurs.
Size: 4 Byte, Default Value: 2000000

Setting Description
0 - 2000000 Energy Level in KWh

Parameter 44: Energy Limit State

Defines the next state of the device in the case of an Energy Limit event occurring.
Size: 1 Byte, Default Value: 0

Setting Description
0 IGNORE
1 ON
2 OFF
3 TOGGLE

Parameter 45: Variation Instantaneous Power

Defines the percentage variation of instantaneous power determining the sending of the report.
Size: 1 Byte, Default Value: 10

Setting Description
1 - 100 Power variation in percentage

Parameter 46: Report Time Frequency

Defines the maximum time in minutes since the previous report beyond which an Instantaneous Power Report will still be sent.
Size: 1 Byte, Default Value: 10

Setting Description
1 - 100 Time in minutes

Parameter 48: Nominal Voltage

Defines the nominal voltage value in tenths of volts. Together with parameter No. 49 this is used by the automatic notification system to send reports on variations of voltage.
Size: 2 Byte, Default Value: 2300

Setting Description
1100 - 2300 Nominal Voltage in Volt

Parameter 49: Fall in maximum voltage

Defines, as a percentage, the nominal value for permitted fall in maximum voltage.
Size: 1 Byte, Default Value: 10

Setting Description
1 - 100 percentage of voltage variation

Parameter 50: Electric parameters subjected to automatic notification

Defines which electric parameters, other than power, will be subjected to automatic notification.The value to be set for this parameter must be calculated as the sum of values associated to the individual electric parameter.
Size: 1 Byte, Default Value: 30

Setting Description
0 Power
2 Energy
4 Voltage
8 Current
16 Power Factor
32 Multilevel Sensor: Power Report

Parameter 60: Start-up status

Defines the status of the device following a restart.
Size: 1 Byte, Default Value: 3

Setting Description
1 ON
2 OFF
3 Status prior to restart

Parameter 61: Configuration reset

Defines which parameters should be reset to default values.
Size: 1 Byte, Default Value: 4

Setting Description
0 FACTORY RESET
1 ASSOCIATIONS RESET
2 CONFIGURATIONS RESET
4 IGNORE

Parameter 62: Type of external switch

Defines the type of external switch connected to the device.
Size: 1 Byte, Default Value: 4

Setting Description
0 IGNORE
1 BUTTON
2 SWITCH
4 AUTOMATIC RECOGNITION

Parameter 63: Load control

Defines the load control mode.
Size: 1 Byte, Default Value: 1

Setting Description
1 DIRECT CONTROL
2 CONTROL BY MEANS OF A CONTACTOR WITH NORMALLY OPEN COMMAND
3 CONTROL BY MEANS OF A CONTACTOR WITH NORMALLY CLOSED COMMAND
4 AS AN EXTERNAL INDICATOR

Technical Data

Dimensions 0.0370000x0.0370000x0.0170000 mm
Weight 70 gr
Hardware Platform ZM5202
EAN 8059265060023
IP Class IP 20
Voltage 230V
Load 12,5A
Device Type On/Off Power Switch
Network Operation Always On Slave
Z-Wave Version 6.51.03
Certification ID ZC10-15030011
Z-Wave Product Id 0x0149.0x1214.0x0304
Frequency Europe - 868,4 Mhz
Maximum transmission power 5 mW

Supported Command Classes

  • Switch All
  • Association
  • Association Group Information
  • Basic
  • Configuration
  • Device Reset Locally
  • Firmware Update Md
  • Manufacturer Specific
  • Meter
  • Sensor Multilevel
  • Powerlevel
  • Switch Binary
  • Version
  • Zwaveplus Info

Controlled Command Classes

  • Basic
  • Device Reset Locally

Explanation of Z-Wave specific terms

  • Controller — is a Z-Wave device with capabilities to manage the network. Controllers are typically Gateways,Remote Controls or battery operated wall controllers.
  • Slave — is a Z-Wave device without capabilities to manage the network. Slaves can be sensors, actuators and even remote controls.
  • Primary Controller — is the central organizer of the network. It must be a controller. There can be only one primary controller in a Z-Wave network.
  • Inclusion — is the process of adding new Z-Wave devices into a network.
  • Exclusion — is the process of removing Z-Wave devices from the network.
  • Association — is a control relationship between a controlling device and a controlled device.
  • Wakeup Notification — is a special wireless message issued by a Z-Wave device to announces that is able to communicate.
  • Node Information Frame — is a special wireless message issued by a Z-Wave device to announce its capabilities and functions.