This is a
Tripple Click the Button on the device confirms the inclusion, exclusion and association. After power up it will stay in auto inclusion mode for 4 minutes. To support handling of the device when already installed the external switch can be used for inclusion or exclusion for 3 minutes after power up.
Z-Wave is the international wireless protocol for communication in the Smart Home. This device is suited for use in the region mentioned in the Quickstart section.
Z-Wave ensures a reliable communication by reconfirming every message (two-way communication) and every mains powered node can act as a repeater for other nodes (meshed network) in case the receiver is not in direct wireless range of the transmitter.
This device and every other certified Z-Wave device can be used together with any other certified Z-Wave device regardless of brand and origin as long as both are suited for the same frequency range.
If a device supports secure communication it will communicate with other devices secure as long as this device provides the same or a higher level of security. Otherwise it will automatically turn into a lower level of security to maintain backward compatibility.
For more information about Z-Wave technology, devices, white papers etc. please refer to www.z-wave.info.
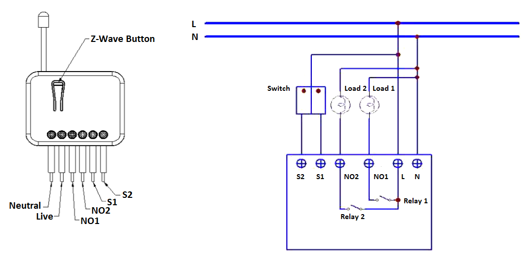
This Insert Switch allows controlling two independent loads both wirelessly via Z-Wave and locally utilizing a traditional wall switch. Thanks to its calibration technology the device cannot only be used to switch resistive devices but also works perfectly with many kind of reactive or resistive loads such as fluorescent lights or LEDs. This insert switch module has a power meter function and is able to measure instant power, voltage, current, power factor and accumulated power consumption. In addition to this, the device has an overload protection. The device is placed in a wall box right behind the normal switch. The switch is not longer directly connected to the load but acts as input device for the insert that is controlling the load. This device is designed for a 3 wire system and needs a neutral wire in the wall box.
Please read the user manual before installing the product.
In order to include (add) a Z-Wave device to a network it must be in factory default state. Please make sure to reset the device into factory default. You can do this by performing an Exclusion operation as described below in the manual. Every Z-Wave controller is able to perform this operation however it is recommended to use the primary controller of the previous network to make sure the very device is excluded properly from this network.
This device also allows to be reset without any involvement of a Z-Wave controller. This procedure should only be used when the primary controller is inoperable.
Tripple Click the button on the device to enter inclusion mode. Within 1 second press the button again for 5 seconds until LED is off.
ATTENTION: only authorized technicians under consideration of the country-specific installation guidelines/norms may do works with mains power. Prior to the assembly of the product, the voltage network has to be switched off and ensured against re-switching.

Put the in wall switch into a wall box and connect the pins as shown in the figure.

On factory default the device does not belong to any Z-Wave network. The device needs to be added to an existing wireless network to communicate with the devices of this network. This process is called Inclusion.
Devices can also be removed from a network. This process is called Exclusion. Both processes are initiated by the primary controller of the Z-Wave network. This controller is turned into exclusion respective inclusion mode. Inclusion and Exclusion is then performed doing a special manual action right on the device.
Tripple Click the button on the device confirms inclusion and exclusion. After power up it will stay in auto inclusion mode for 4 minutes. To support handling of the device when already installed the external switch can be used for inclusion or exclusion for 3 minutes after power up.
Tripple Click the button on the device confirms inclusion and exclusion. After power up it will stay in auto inclusion mode for 4 minutes. To support handling of the device when already installed the external switch can be used for inclusion or exclusion for 3 minutes after power up.
Manual Operation
The device can be operated suing the externally connected switch. Three different modes are supported:
Remote Operation
Remote On/Off control of the switch is possible with any Z-Wave controller. Further you can set associations to let your device controlled by other Z-Wave devices like sensors.
The switch is able to detect the current wattage (5 - 1500W) and overload wattage (1600 - 1700W) of connected loads. When detecting overload state, the switch will be disabled and the LED will flash quickly. Turning off and on of the power supply will reset from this state.
The Node Information Frame (NIF) is the business card of a Z-Wave device. It contains information about the device type and the technical capabilities. The inclusion and exclusion of the device is confirmed by sending out a Node Information Frame. Beside this it may be needed for certain network operations to send out a Node Information Frame. To issue a NIF execute the following action:
Tripple Click the button on the device sends out a Node Information Frame.
Here are a few hints for network installation if things dont work as expected.
Z-Wave devices control other Z-Wave devices. The relationship between one device controlling another device is called association. In order to control a different device, the controlling device needs to maintain a list of devices that will receive controlling commands. These lists are called association groups and they are always related to certain events (e.g. button pressed, sensor triggers, ...). In case the event happens all devices stored in the respective association group will receive the same wireless command wireless command, typically a 'Basic Set' Command.
| Group Number | Maximum Nodes | Description |
|---|---|---|
| 1 | 1 | The Switch will report: (1) ON/OFF status of Relay1 and Relay2; (2) Instant Power Consumption (Watt) of Relay1 and Relay2; (3) Accumulated Power Consumption (KWh) of Relay1 and Relay2 to Z-Wave Controller. |
| 2 | 1 | The Switch will report: (1) ON/OFF status of Relay1; (2) Instant Power Consumption (Watt) of Relay1; (3) Accumulated Power Consumption (KWh) of Relay1 to Z-Wave Controller. |
| 3 | 1 | The Switch will report: (1) ON/OFF status of Relay2; (2) Instant Power Consumption (Watt) of Relay2; (3) Accumulated Power Consumption (KWh) of Relay2 to Z-Wave Controller. |
Z-Wave products are supposed to work out of the box after inclusion, however certain configuration can adapt the function better to user needs or unlock further enhanced features.
IMPORTANT: Controllers may only allow configuring signed values. In order to set values in the range 128 ... 255 the value sent in the application shall be the desired value minus 256. For example: To set a parameter to 200 it may be needed to set a value of 200 minus 256 = minus 56. In case of a two byte value the same logic applies: Values greater than 32768 may needed to be given as negative values too.
| Setting | Description |
|---|---|
| 1 - 32767 | 720*5s=3600s=1 hour |
| Setting | Description |
|---|---|
| 1 - 32767 | 6*10min= 1 hour |
| Setting | Description |
|---|---|
| 1 | Relay1 |
| 2 | Relay2 |
| 3 | Relay1 & Relay2 |
| Setting | Description |
|---|---|
| 1 | Edge mode |
| 2 | Pulse mode |
| 3 | Edge-Toggle mode |
| Setting | Description |
|---|---|
| 10 - 750 | 750*0.01A = 7.5A |
| Setting | Description |
|---|---|
| 1 - 10000 | 1KWh |
| Setting | Description |
|---|---|
| 0 | OFF |
| 1 | Last switch state |
| 2 | Switch on |
Whenever PAN04 switches to on, the auto off timer begin to count down. After the timer decrease to zero, it will switch off automatically. Size: 2 Byte, Default Value: 0
| Setting | Description |
|---|---|
| 0 | Disable |
| 1 - 32767 | Time in seconds |
Size: 1 Byte, Default Value: 0
| Setting | Description |
|---|---|
| 0 | Switch Off |
| 1 | Ignore |
| 2 | Switch toggle |
| 3 | Switch On |
| Setting | Description |
|---|---|
| 1 | Endpoint3 exist |
| 2 | No Endpoint3 |
| Dimensions | 0.0480000x0.1300000x0.0160000 mm |
| Weight | 40 gr |
| Hardware Platform | ZM3102 |
| Device Type | On/Off Power Switch |
| Generic Device Class | Binary Switch |
| Specific Device Class | Binary Power Switch |
| Firmware Version | 01.00 |
| Z-Wave Version | 03.41 |
| Certification ID | ZC08-13060013 |
| Z-Wave Product Id | 013c.0001.0003 |
| Frequency | Europe - 868,4 Mhz |
| Maximum transmission power | 5 mW |