Quickstart

This is a Binary Sensor for Europe. Please make sure the internal battery is fully charged.

For Inclusion and Exclusion press and hold both white buttons on the device until the LED starts flashing. (green ->Inclusion, red -> Exclusion)



Important safety information

Please read this manual carefully. Failure to follow the recommendations in this manual may be dangerous or may violate the law. The manufacturer, importer, distributor and seller shall not be liable for any loss or damage resulting from failure to comply with the instructions in this manual or any other material. Use this equipment only for its intended purpose. Follow the disposal instructions. Do not dispose of electronic equipment or batteries in a fire or near open heat sources.

What is Z-Wave?

Z-Wave is the international wireless protocol for communication in the Smart Home. This device is suited for use in the region mentioned in the Quickstart section.

Z-Wave ensures a reliable communication by reconfirming every message (two-way communication) and every mains powered node can act as a repeater for other nodes (meshed network) in case the receiver is not in direct wireless range of the transmitter.

This device and every other certified Z-Wave device can be used together with any other certified Z-Wave device regardless of brand and origin as long as both are suited for the same frequency range.

If a device supports secure communication it will communicate with other devices secure as long as this device provides the same or a higher level of security. Otherwise it will automatically turn into a lower level of security to maintain backward compatibility.

For more information about Z-Wave technology, devices, white papers etc. please refer to www.z-wave.info.

Product Description

The SSR302 is a wirelessly controlled double Relay switch to operate loads up to 3A / 230 V. It is used to control warm water boilers or magnet valves. The device can be operated locally using two buttons. A LED indicated the current switching status. The fashionable design of the device allows mounting it on visible positions in the home. The device is IP 30 rated.

Prepare for Installation / Reset

Please read the user manual before installing the product.

In order to include (add) a Z-Wave device to a network it must be in factory default state. Please make sure to reset the device into factory default. You can do this by performing an Exclusion operation as described below in the manual. Every Z-Wave controller is able to perform this operation however it is recommended to use the primary controller of the previous network to make sure the very device is excluded properly from this network.

Installation

Installation and connection of the receiver should only be carried out by a suitably qualified person.

To remove the backplate from the receiver, undo the two retaining screws located on the underside; the backplate should now be easily removed. Once the backplate has been removed from the packaging, ensure the receiver is re-sealed to prevent damage from dust, debris etc. The backplate should be fitted with the wiring terminals at the top and in a position which allows a total clearance of at least 50mm around the receiver.

Direct Wall Mounting

The receiver should ideally be located near an existing power supply within an easy wiring location to the items being switched. Offer the plate to the wall in the position where the receiver is to be mounted, remembering that the backplate fits to the left hand side of the receiver. Mark the fixing positions through the slots in the backplate, drill and plug the wall, then secure the plate in position. The slots in the backplate will compensate for any misalignment of the fixings.

Wiring Box Mounting

The receiver backplate may be fitted directly onto a single gang steel flush wiring box complying to BS4662 using two M3.5 screws. The receiver is suitable for mounting on a flat surface only. It must not be positioned on an unearthed metal surface.

Electrical Connections

All necessary electrical connections should now be made. Flush wiring can enter from the rear through the aperture in the backplate. Surface wiring can only enter from beneath the receiver and must be securely clamped. The mains supply terminals are intended to be connected to the supply by means of fixed wiring. The receiver is mains powered and requires a 3 amp fused spur. The recommended cable sizes are 1.0mm2 or 1.5mm2.

The receiver is double insulated and does not require an earth connection although an earth connection block is provided on the back plate for terminating any cable earth conductors. Earth continuity must be maintained and all bare earth conductors must be sleeved. Ensure that no conductors are left protruding outside the central space enclosed by the backplate.

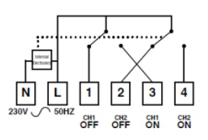
Internal Wiring Diagram

The SSR302 has an integral connection which makes it suitable for mains voltage applications only. No additional linking is required between terminals.

Fitting the Receiver

If surface wiring has been used, remove the knockout/insert from the bottom thermostat to accommodate it. Fit the receiver to the backplate, ensure the lugs on the backplate engage with the slots on the receiver. Swing the bottom of the receiver into position ensuring that the connection pins on the back of the unit locate into the terminal slots in the backplate.

Warning: ISOLATE MAINS SUPPLY BEFORE COMMENCING INSTALLATION!

Inclusion/Exclusion

On factory default the device does not belong to any Z-Wave network. The device needs to be added to an existing wireless network to communicate with the devices of this network. This process is called Inclusion.

Devices can also be removed from a network. This process is called Exclusion. Both processes are initiated by the primary controller of the Z-Wave network. This controller is turned into exclusion respective inclusion mode. Inclusion and Exclusion is then performed doing a special manual action right on the device.

Inclusion

For Inclusion and Exclusion press and hold both white buttons on the device until the LED starts flashing. (green ->Inclusion, red -> Exclusion)

Exclusion

For Inclusion and Exclusion press and hold both white buttons on the device until the LED starts flashing. (green ->Inclusion, red -> Exclusion)

Product Usage

The unit supports two static end points for the two channels.

Pressing the Top White button for 1 second will issue an "end point capability report" for channel 1. Pressing the Bottom White button for 1 second will issue an "end point capability report" for channel 2. Additionally the devices enters learn mode for 1 second. This is useful when to associate / disassociate the device with a control group or just to determine the device and command classes supported. This can be done at any time but will not provide any indication to the operator

Broadcasting in this manner has been implemented to support association of a channel with a 3rd party controller that supports Multi-Channel Command Class.

Node Information Frame

The Node Information Frame (NIF) is the business card of a Z-Wave device. It contains information about the device type and the technical capabilities. The inclusion and exclusion of the device is confirmed by sending out a Node Information Frame. Beside this it may be needed for certain network operations to send out a Node Information Frame. To issue a NIF execute the following action:

Pressing and holding the two white buttons for 1 second will trigger the device to issue a Node Information Frame.

Quick trouble shooting

Here are a few hints for network installation if things dont work as expected.

  1. Make sure a device is in factory reset state before including. In doubt exclude before include.
  2. If inclusion still fails, check if both devices use the same frequency.
  3. Remove all dead devices from associations. Otherwise you will see severe delays.
  4. Never use sleeping battery devices without a central controller.
  5. Dont poll FLIRS devices.
  6. Make sure to have enough mains powered device to benefit from the meshing

Association - one device controls an other device

Z-Wave devices control other Z-Wave devices. The relationship between one device controlling another device is called association. In order to control a different device, the controlling device needs to maintain a list of devices that will receive controlling commands. These lists are called association groups and they are always related to certain events (e.g. button pressed, sensor triggers, ...). In case the event happens all devices stored in the respective association group will receive the same wireless command wireless command, typically a 'Basic Set' Command.

Association Groups:

Group Number Maximum Nodes Description
1 5 Devices controlled by open/close events

Technical Data

Dimensions 0.1200000x0.0900000x0.0340000 mm
Weight 200 gr
Voltage 230 V
Load 3A
Device Type Routing Binary Sensor
Generic Device Class Binary Sensor
Specific Device Class Routing Binary Sensor
Firmware Version 01.03
Z-Wave Version 02.40
Certification ID ZC08-11010002
Z-Wave Product Id 0086.0002.0004
Frequency Europe - 868,4 Mhz
Maximum transmission power 5 mW

Supported Command Classes

Controlled Command Classes

Explanation of Z-Wave specific terms